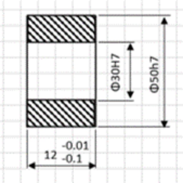
図面から寸法公差を読み取る力テスト

※誹謗中傷・個人情報(メールアドレス等)を含むコメントは削除・アカウント停止/退会処理をさせていただく場合があります。
コメントを送信する

おすすめ検定

図面から寸法公差を読み取る力テスト

ID:1592872
挑戦者数: 21人  / 合格者数: 14人
✨けんてーごっこプレミアム登場!✨
広告なし&便利な機能盛りだくさん

最近受けられた検定

今日のランキング

都道府県の検定を探す

検定 に挑戦する