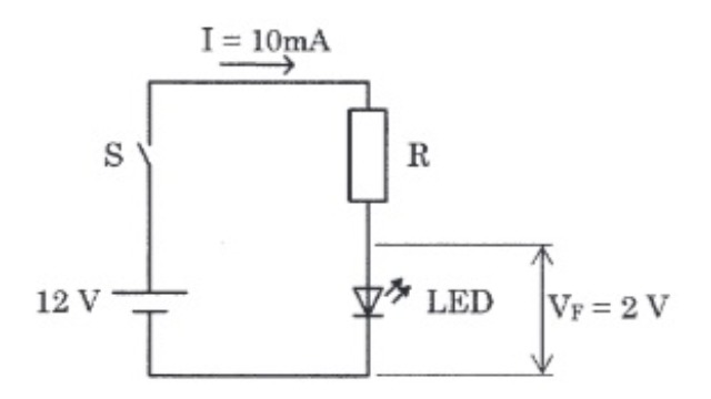
電子機器組立3級学科その4(解説少しあり) その他 - 電子機器組立 資格 Q1日本工業規格(JIS)によれば、下図のNPN型トランジスタの各端子の名称はすべて正しい。選択肢◯× Q2計数回路には、アップカウンタとダウンカウンタという二つの動作モードがあり、アップカウンタは、カウンタの出力がクロック入力によって減少する動作をする。 選択肢◯× Q3下図の回路で、抵抗Rの抵抗値は、1kΩである。選択肢◯× Q4電磁継電器(リレー)は、回路を電気的信号によって開閉する部品である。 選択肢◯× Q5真性半導体は、温度が上昇すると電気抵抗は大きくなる傾向にある。 選択肢◯× Q6導体の中には自由電子が少なく、絶縁体の中には自由電子が多い 選択肢◯× Q7フォトダイオードは、入射光を、光量(照度)に比例した電流に変換する素子である。 選択肢◯× Q8バリスタは、加える電圧の大きさによって抵抗値が変化する素子である。 選択肢◯× Q9家庭用電灯線回路の電圧をオシロスコープで観察した。観察した波形として下図は正しい。選択肢◯× Q1050Ωの抵抗器に100Vの電圧をかけたときの電力は、500kWである。 選択肢◯×